


产品分类
Product Category详细介绍
技术参数
M400L圆形桶是一种采用聚乙烯(LLDPE)材质,通过滚塑工艺一次成型的储存容器。以下是对M400L圆形桶的详细介绍:
1.产品特性
-材质与工艺:采用纯进口聚乙烯(Polyethyline简称PE)为主要原料。通过滚塑工艺一次成型,确保了桶体的坚固和耐用性。
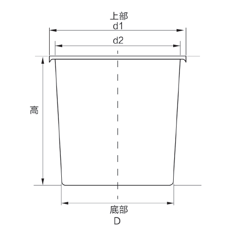
-容量与尺寸:该圆形桶的容量为400升,尺寸为上外径970mm、下外径780mm、高度790mm,适合各种液体和散装固体的储存。
-颜色与定制:标准颜色为白色,但支持根据客户需求定制其他颜色,以满足特定的使用环境或品牌识别需求。
性能:一次成型桶体无焊缝,内外光滑、具有卫生、耐震、耐冲击、耐热、耐磨的绝佳性能。相对比注塑产品寿命长的优点。
2.应用领域
1、纺织、印染、制衣、鞋帽行业中漂、洗、打浆、清洗、搅拌用。
2、酿造、蔬菜等加工行业中发酵、腌制、脱脂、拌料、清洗、贮存用。
3、医药、食品、化工等行业中的储存、搅拌、脱脂、兑制用。
3.市场供应
-供应商信息:市场上有多家供应商提供M400L圆形桶,如无锡隆品牌等,保证了产品的多样性和可选择性。
-价格与购买:消费者可以通过多种渠道了解M400L圆形桶的价格并进行购买,如在线电商平台提供了便捷的购物体验和优惠活动。
4.安装维护
-安装简便:M400L圆形桶的设计考虑到了搬运和安装的便捷性,用户可以轻松地将其放置在合适的位置并开始使用。
-维护保养:定期检查桶体的完整性和清洁度,避免化学物质或污垢的长期积累,以延长使用寿命并保持储存物质的纯净。
5.注意事项
-尺寸匹配:在选择M400L圆形桶时,应确保其尺寸与储存空间和使用需求相匹配,以实现最佳的存储效率。
-质量保证:购买时应选择信誉良好的品牌和供应商,以确保产品质量和售后服务。
常用颜色:白、橘、蓝、黄
注:具体规格,颜色可根据客户需求订做
M400L圓形桶详细参数:
| 名称 | 型号 | 容量L | 上部外径d1 | 上部内径d2 | 下部直径d | 高度H | 平均厚度mm |
| 园形桶 | M400 | 400 | 1000 | 900 | 790 | 770 | 4 |
产品咨询

微信公众号

网站二维码
苏公网安备32058502011505号