

产品分类
Product Category详细介绍
技术参数
PT8000L立式储罐储罐优点:
1、质地坚韧:采用纯进口聚乙烯(polyethyline)为主要原料。质地坚韧,搬运简便,耐震、耐冲击。
2、抗老化:原材料添加抗老化剂和紫外线吸收剂,能有效延长桶体的老化期和使用寿命。
3、耐药性佳:对各类酸、碱盐具有极佳之抗蚀性、能储运绝大多数酸、碱、盐类溶液和部分有机溶剂。抗腐蚀性强于玻璃钢五倍,能替代不锈钢钛、镍高级合金钢等材料。
4、经济耐用:桶体采用先进优越的滚塑成型法,整体无焊缝且分为里、中、外三层发泡不易破裂。
5、耐热耐冻:耐热耐冻性能极佳,在摄氏-30℃~60℃均可使用。
6、不 漏 液:在使用期限内(合理安装、使用、维护,人为及不可抗力的因素除外)出水口接头和法兰使用与桶体相同材质,采用热熔接法加工,可省去因漏液而更换配件的麻烦。
应用范围:
广泛应用于化工行业、电子业、钴镍、淀粉业、稀土业、酿造行业、高层建筑二次供水、蓄水、工业用冷却水、水处理工程、环保工程、水处理净化设备配套及各种化工原料、制剂、油品、饮品的储存和运输。
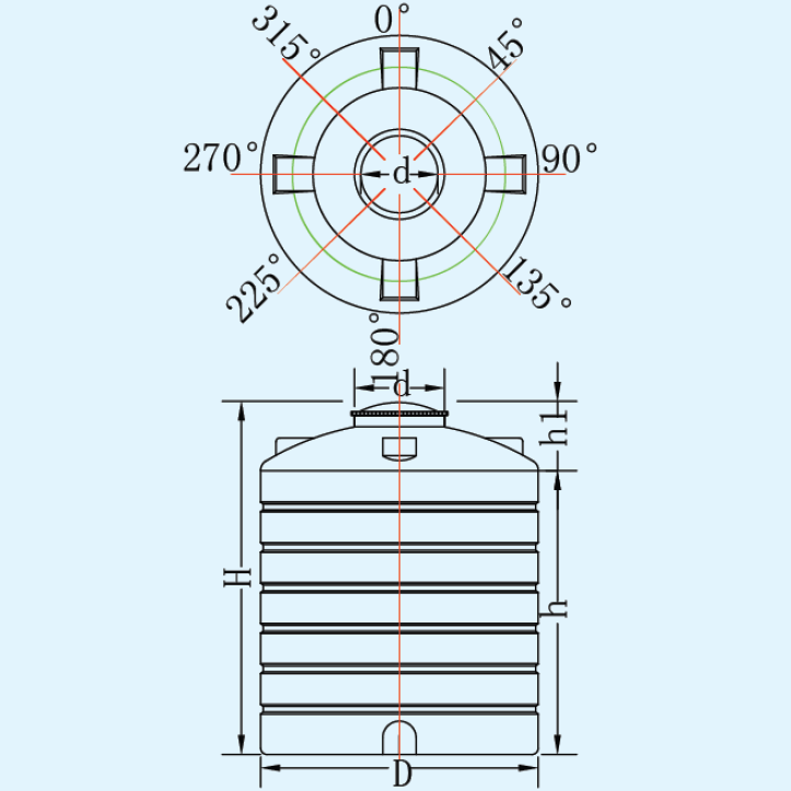
PT8000L立式储罐详细参数:
| 名称 | 型 号 | 容量L | 桶体D | 人孔d | 垂高h | 总高H |
| 储罐 | PT8000 | 8000 | 2160 | 600 | 2210 | 2750 |
平均厚度:
| UL | 特 | B | A |
| 15 | 11 | 9.5 | 8 |
产品咨询

微信公众号

网站二维码
苏公网安备32058502011505号