


产品分类
Product Category详细介绍
技术参数
1吨PE立式圆形桶以纯聚乙烯为原料,采用特殊的滚塑工艺整体成型。具有无焊接、不渗漏、无毒性、重量轻、抗老化、抗冲击、耐腐蚀、寿命长等优点。
特性:
1.原料:优质进口食品级塑胶PE原料及独特用料配方。
2.成型技术:采用国先进成熟的ROTATIOMAL(旋转成型)技术,一次成型!
3.性能:无焊、无缝、无味,耐酸,耐碱,耐高温,耐低温,耐腐蚀,耐撞,防鼠,防白蚁,防震,不易老化,无需维修及清洗。
4.外形:环保时尚,美丽大方,轻巧便捷,内外光滑。
5.适用范围:食品蔬菜加工,水处理,五金电子,化工,医药,建筑,制衣,鞋帽,印染印刷,养殖,工业用水冷却等广泛行业。
1吨PE立式圆形桶可存放的物质:
(1)无机酸:(亚)硝酸、磷酸、碳酸
(2)有机酸:醋酸、蚁酸、氨基酸、苹果酸、柠檬酸
(3)碱及氢氧化物:氨水、氢氧化钠、氢氧化钙(石灰水)、氢氧化钾
(4)工业及建材用化合物:双氧水、絮凝剂、聚羧酸
(5)元素、气体、及其它无机化合物:甲醇、甲醛、含卤素有机化合物、胺、酚、其它有机化合物
(6)其它元素化合物、工业液体及制品、食品及植物油、大气、水.
海强公司对广大消费者承诺:公司里每一个产品都是韩国进口全新料制作,不参杂任何回料。本公司一直以来受到广大消费者的好评。
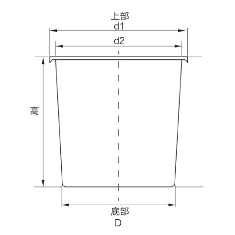
M1000L立式圆形桶规格参数:
| 名称 | 型号 | 容量L | 上部外径d1 | 上部内径d2 | 底部D | 总高度H | 平均厚度mm |
| 园形桶 | M1000 | 1000 | 1320 | 1220 | 1080 | 1000 | 5 |
产品咨询

微信公众号

网站二维码
苏公网安备32058502011505号