


产品分类
Product Category详细介绍
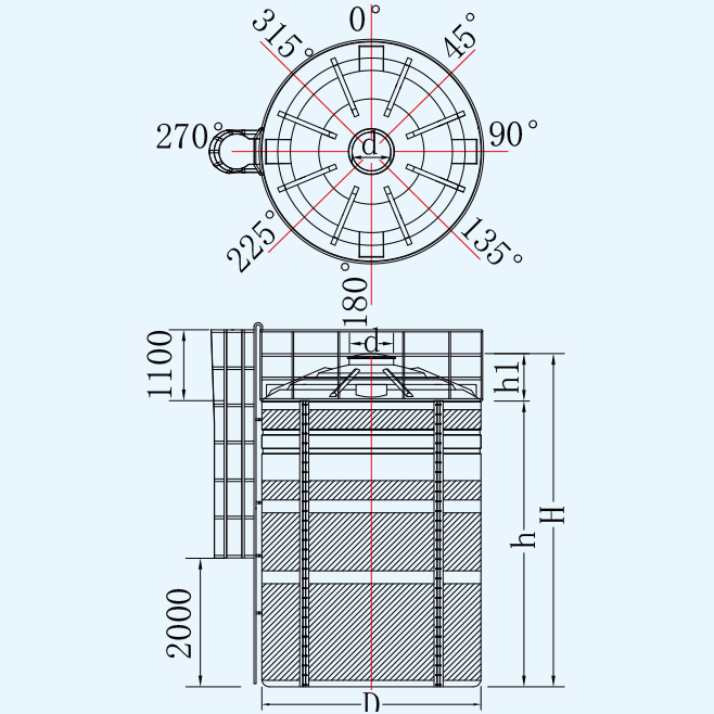
技术参数
40吨酸碱储罐优点:
1、质地坚韧:采用纯进口聚乙烯(polyethyline)为主要原料。质地坚韧,搬运简便,耐震、耐冲击。
2、抗老化:原材料添加抗老化剂和紫外线吸收剂,能有效延长桶体的老化期和使用寿命。
3、耐药性佳:对各类酸、碱盐具有极佳之抗蚀性、能储运绝大多数酸、碱、盐类溶液和部分有机溶剂。
抗腐蚀性强于玻璃钢五倍,能替代不锈钢钛、镍高级合金钢等材料。
4、经济耐用:桶体采用先进优越的滚塑成型法,整体无焊缝且分为里、中、外三层发泡不易破裂。
5、耐热耐冻:耐热耐冻性能极佳,在摄氏-30℃~70℃均可使用。
6、不 漏 液:在使用期限内(合理安装、使用、维护,人为及不可抗力的因素除外)出水口接头和法兰使用与桶体相同材质,采用热熔接法加工,可省去因漏液而更换配件的麻烦。
PT40吨储罐详细参数:
| 名称 | 型 号 | 容量L | 桶体D | 人孔d | 垂高h | 总高H |
| 储罐 | PT40000 | 40000 | 3400 | 600 | 4420 | 5170 |
PT40吨储罐平均厚度:
| UL | 特 | B | A |
| 30 | 25 |
产品咨询

微信公众号

网站二维码
苏公网安备32058502011505号