


产品分类
Product Category详细介绍
技术参数
MC40L圆形加药箱详细介绍:
材质:采用纯进口聚乙烯(polyethyline简称PE)为主要原料。质地坚韧,搬运简便,耐震、耐冲击。
性能:一次成型桶体无焊缝,内外光滑,不渗漏,相对桶体高度较低,安全,方便易操作。具有卫生、耐震、耐冲击耐强酸强碱的绝佳性能。相对比注塑产品的寿命长的优点。
用途:酸、碱、盐和水溶液的储存、运输、调和均可。
应用范围:可作药剂桶、化工桶用。与水处理、环保工程。软水系列配套使用。
常用颜色:黄、白。
注:具体规格,颜色可根据客户需求订做
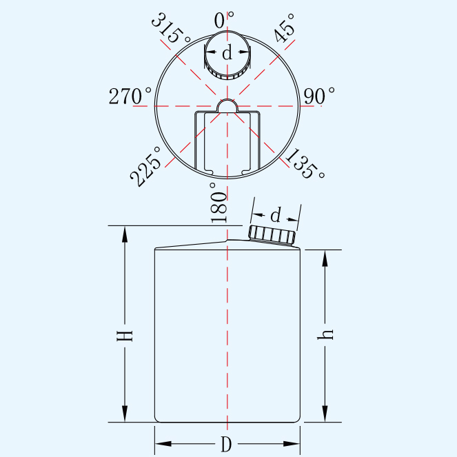
MC40L加药箱详细参数:
| 名称 | 型号 | 容量L | 人孔d | 直径D | 垂高h | 总高H | 平均厚度mm |
| 加药箱 | MC40 | 40 | 100 | 350 | 415 | 420 | 3.5 |
产品咨询

微信公众号

网站二维码
苏公网安备32058502011505号